Usted está aquí: Casa » Productos » Dientes del cubo y adaptador » Oruga dientes de cubo » Mini excavadora DLP528 Piezas de desgaste Placa de desgaste

loading

Mini excavadora DLP528 Piezas de desgaste Placa de desgaste

Cantidad:
sharethis sharing button
  •  DLP528

  •  Excavador

  •  Nuevo

  •  Fundición

  •  HRC63

  •  Según los requisitos del cliente

  •  China

  •  Cubo del excavador

  •  CE

  •  DLP528

  •  Cr hierro blanco y acero suave

  •  OEM

  •  230 mm x 50 mm x 50 mm

  • 8431499900

1. Descripción:
Nombre: Barras de desgaste DLP528
Descripciones:
Material: Cr hierro blanco y acero dulce.
Dureza: HRC63

Fácil de cortar, lo que le permite personalizar la protección a diferentes especificaciones
Fácil de doblar: ofrece protección en una superficie contorneada.
Use barras de goma con placa de apoyo con muesca anterior.
Disponible en 5 tamaños, ya sea con placa de respaldo estándar o preformada.

Aplicaciones:
Tiras de desgaste del cubo.
Reemplaza el revestimiento duro para los sinfines, cabezales de perforación direccionales, perforación de cimientos, perforación de perforación.
Forros de aspa del ventilador.
Molino de pug paletas, punta y rascadores.
Industria del reciclaje.
Cepilladora de caminos y protectores de picos.
Reemplaza el revestimiento duro para carcasas de bomba e impulsores

2. Nuestra gama de productos
Mini excavadora DLP528 Piezas de desgaste Placa de desgaste


3.Artículos populares soplan por referencia:
Mini excavadora DLP528 Piezas de desgaste Placa de desgaste

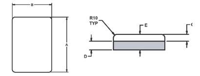
Parte No. A (mm) B (mm) C (mm) D (mm) E (mm) Peso (kg)
DLP-1920 75 25 17 8 25 0.7
DLP-1921 100 50 17 8 25 1.1
DLP-1994 100 70 24 8 32 1
DLP-2196 130 80 15 8 23 1.3
DLP-4771 148 108 25 10 35 2.3

Mini excavadora DLP528 Piezas de desgaste Placa de desgaste

Parte No. A (mm) B (mm) C (mm) D (mm) E (mm) Peso (kg)
DLP 4 300 38 25 8 33 3
DLP 295 153 38 25 8 33 1.6
DLP 508 190 50 20 10 30 2.3
DLP 125 230 50 38 12 50 4.6
DLP 1101 150 50 40 10 50 3
DLP 528 150 75 40 10 50 4.5
DLP 619 150 75 50 10 60 5.3

Mini excavadora DLP528 Piezas de desgaste Placa de desgaste

Parte # A (mm) B (mm) C (mm) D (mm) E (mm) Peso kg
SB 413 200 150 20 25 45 10.5
SB 412 250 150 20 25 45 13.1
SB 414 250 250 20 25 45 22


4. Nuestro almacén:
Mini excavadora DLP528 Piezas de desgaste Placa de desgaste

5. información de la empresa

Ningbo Beneparts Machinery co., Ltd como su proveedor confiable de piezas GET, ofrece una gama completa de piezas de repuesto adecuadas para todo tipo de máquinas de movimiento de tierras que se aplican a la minería, la construcción, la agricultura, etc. Como excavadora, excavadora, cargadora, retroexcavadora, rascadora, trituradora y pronto. Las piezas de repuesto que suministramos incluyen piezas de fundición como dientes de cubeta, adaptador, protector de labios, protector, vástago del desgarrador, etc. y piezas forjadas como dientes de cubeta forjados, filo, cuchillas graduadoras, segmento, broca final, etc., y también piezas resistentes al desgaste. como barras rígidas, botones de desgaste, placa de desgaste combinada de cromo, etc. y piezas combinadas como pasadores, arandelas, pernos y tuercas, etc. Nuestras piezas cubren las marcas de máquinas Caterpillar, Komatsu, Volvo Doosan, Daewoo, Hyundai, Case, JCB, Kobelco, Liebherr John Deere etc.

Beneparts tiene un equipo de ventas muy fuerte y un fabricante firmemente cooperado con alta tecnología y enfoque en la calidad con más de 28 años de experiencia.

Nuestras ventajas son cuatro veces, nuestro:
1. Equipo técnico fuerte, y tenemos la capacidad de formular materiales para satisfacer las necesidades específicas de los proyectos de nuestros clientes.
2. Sistema de control de calidad perfecto y una amplia gama de instalaciones avanzadas, como la máquina de análisis de componentes, la máquina de impacto, la máquina de resistencia a la tracción, etc.
3. Experiencia rica para hacer negocios OEM / ODM, podemos desarrollar artículos según dibujos y muestras si tiene un requisito específico.
4. Gestión eficiente, podemos reducir el tiempo de entrega y tenemos un buen servicio postventa que mantiene la cooperación comercial a largo plazo con nuestros clientes.

Nuestro compromiso con usted es siempre proporcionar un servicio al cliente rápido, conveniente y eficaz.
Esperamos conocerte!


Mini excavadora DLP528 Piezas de desgaste Placa de desgaste

Anterior: 
Siguiente: 

ENLACES RÁPIDOS

GARANTÍA

BeneParts garantiza todo nuestro Repuestos contra roturas. Si alguna de estas partes se rompe bajo condiciones normales de trabajo.nosotros Proporcionará una nueva parte de forma gratuita.

ESTAR EN CONTACTO

Dirección:HuiyaInternacionalEdificio,
    No.1107-803 Tiantong Norte
La carretera,
Ningbo, P.R.C. 315100
Tel: +86 574 88167027
Email:sales@beneparts.cn