DLP2071
Excavador
Nuevo
Fundición
HRC63
Según los requisitos del cliente
China
Cubo del excavador
CE
DLP2071
Cr hierro blanco y acero suave
OEM
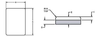
305x100x87.5x (38 + 12 = 50) mm
8431499900
1. Descripción:
Nombre: Grizzly Bars DLP2071
Descripciones: 305x100x87.5x (38 + 12 = 50) mm
Material: Cr hierro blanco y acero dulce.
Dureza: HRC63
Fácil de cortar, lo que le permite personalizar la protección a diferentes especificaciones
Fácil de doblar: ofrece protección en una superficie contorneada.
Use barras de goma con placa de apoyo con muesca anterior.
Disponible en 5 tamaños, ya sea con placa de respaldo estándar o preformada.
Aplicaciones:
Tiras de desgaste del cubo.
Reemplaza el revestimiento duro para los sinfines, cabezales de perforación direccionales, perforación de cimientos, perforación de perforación.
Forros de aspa del ventilador.
Molino de pug paletas, punta y rascadores.
Industria del reciclaje.
Cepilladora de caminos y protectores de picos.
Reemplaza el revestimiento duro para carcasas de bomba e impulsores
2. Nuestra gama de productos
3.Artículos populares soplan por referencia:
| Parte No. | A (mm) | B (mm) | C (mm) | D (mm) | E (mm) | Peso (kg) |
| DLP-1920 | 75 | 25 | 17 | 8 | 25 | 0.7 |
| DLP-1921 | 100 | 50 | 17 | 8 | 25 | 1.1 |
| DLP-1994 | 100 | 70 | 24 | 8 | 32 | 1 |
| DLP-2196 | 130 | 80 | 15 | 8 | 23 | 1.3 |
| DLP-4771 | 148 | 108 | 25 | 10 | 35 | 2.3 |
| Parte No. | A (mm) | B (mm) | C (mm) | D (mm) | E (mm) | Peso (kg) |
| DLP 4 | 300 | 38 | 25 | 8 | 33 | 3 |
| DLP 295 | 153 | 38 | 25 | 8 | 33 | 1.6 |
| DLP 508 | 190 | 50 | 20 | 10 | 30 | 2.3 |
| DLP 125 | 230 | 50 | 38 | 12 | 50 | 4.6 |
| DLP 1101 | 150 | 50 | 40 | 10 | 50 | 3 |
| DLP 528 | 150 | 75 | 40 | 10 | 50 | 4.5 |
| DLP 619 | 150 | 75 | 50 | 10 | 60 | 5.3 |
| Parte # | A (mm) | B (mm) | C (mm) | D (mm) | E (mm) | Peso kg |
| SB 413 | 200 | 150 | 20 | 25 | 45 | 10.5 |
| SB 412 | 250 | 150 | 20 | 25 | 45 | 13.1 |
| SB 414 | 250 | 250 | 20 | 25 | 45 | 22 |
4. Nuestra línea de producción:
5. información de la empresa
Ningbo Beneparts Machinery co., Ltd como su proveedor confiable de piezas GET, ofrece una gama completa de piezas de repuesto adecuadas para todo tipo de máquinas de movimiento de tierras que se aplican a la minería, la construcción, la agricultura, etc. Como excavadora, excavadora, cargadora, retroexcavadora, rascadora, trituradora y pronto. Las piezas de repuesto que suministramos incluyen piezas de fundición como dientes de cubeta, adaptador, protector de labios, protector, vástago del desgarrador, etc. y piezas forjadas como dientes de cubeta forjados, filo, cuchillas graduadoras, segmento, broca final, etc., y también piezas resistentes al desgaste. como barras rígidas, botones de desgaste, placa de desgaste combinada de cromo, etc. y piezas combinadas como pasadores, arandelas, pernos y tuercas, etc. Nuestras piezas cubren las marcas de máquinas Caterpillar, Komatsu, Volvo Doosan, Daewoo, Hyundai, Estuche, JCB, Kobelco, John Deere etc.
Beneparts tiene un equipo de ventas muy fuerte y un fabricante firmemente cooperado con alta tecnología y enfoque en la calidad con más de 28 años de experiencia.
Nuestras ventajas son cuatro veces, nuestro:
1. Equipo técnico fuerte, y tenemos la capacidad de formular materiales para satisfacer las necesidades específicas de los proyectos de nuestros clientes.
2. Sistema de control de calidad perfecto y una amplia gama de instalaciones avanzadas, como la máquina de análisis de componentes, la máquina de impacto, la máquina de resistencia a la tracción, etc.
3. Experiencia rica para hacer negocios OEM / ODM, podemos desarrollar artículos según dibujos y muestras si tiene un requisito específico.
4. Gestión eficiente, podemos reducir el tiempo de entrega y tenemos un buen servicio postventa que mantiene la cooperación comercial a largo plazo con nuestros clientes.
Nuestro compromiso con usted es siempre proporcionar un servicio al cliente rápido, conveniente y eficaz.
Esperamos conocerte!
1. Descripción:
Nombre: Grizzly Bars DLP2071
Descripciones: 305x100x87.5x (38 + 12 = 50) mm
Material: Cr hierro blanco y acero dulce.
Dureza: HRC63
Fácil de cortar, lo que le permite personalizar la protección a diferentes especificaciones
Fácil de doblar: ofrece protección en una superficie contorneada.
Use barras de goma con placa de apoyo con muesca anterior.
Disponible en 5 tamaños, ya sea con placa de respaldo estándar o preformada.
Aplicaciones:
Tiras de desgaste del cubo.
Reemplaza el revestimiento duro para los sinfines, cabezales de perforación direccionales, perforación de cimientos, perforación de perforación.
Forros de aspa del ventilador.
Molino de pug paletas, punta y rascadores.
Industria del reciclaje.
Cepilladora de caminos y protectores de picos.
Reemplaza el revestimiento duro para carcasas de bomba e impulsores
2. Nuestra gama de productos
3.Artículos populares soplan por referencia:
| Parte No. | A (mm) | B (mm) | C (mm) | D (mm) | E (mm) | Peso (kg) |
| DLP-1920 | 75 | 25 | 17 | 8 | 25 | 0.7 |
| DLP-1921 | 100 | 50 | 17 | 8 | 25 | 1.1 |
| DLP-1994 | 100 | 70 | 24 | 8 | 32 | 1 |
| DLP-2196 | 130 | 80 | 15 | 8 | 23 | 1.3 |
| DLP-4771 | 148 | 108 | 25 | 10 | 35 | 2.3 |
| Parte No. | A (mm) | B (mm) | C (mm) | D (mm) | E (mm) | Peso (kg) |
| DLP 4 | 300 | 38 | 25 | 8 | 33 | 3 |
| DLP 295 | 153 | 38 | 25 | 8 | 33 | 1.6 |
| DLP 508 | 190 | 50 | 20 | 10 | 30 | 2.3 |
| DLP 125 | 230 | 50 | 38 | 12 | 50 | 4.6 |
| DLP 1101 | 150 | 50 | 40 | 10 | 50 | 3 |
| DLP 528 | 150 | 75 | 40 | 10 | 50 | 4.5 |
| DLP 619 | 150 | 75 | 50 | 10 | 60 | 5.3 |
| Parte # | A (mm) | B (mm) | C (mm) | D (mm) | E (mm) | Peso kg |
| SB 413 | 200 | 150 | 20 | 25 | 45 | 10.5 |
| SB 412 | 250 | 150 | 20 | 25 | 45 | 13.1 |
| SB 414 | 250 | 250 | 20 | 25 | 45 | 22 |
4. Nuestra línea de producción:
5. información de la empresa
Ningbo Beneparts Machinery co., Ltd como su proveedor confiable de piezas GET, ofrece una gama completa de piezas de repuesto adecuadas para todo tipo de máquinas de movimiento de tierras que se aplican a la minería, la construcción, la agricultura, etc. Como excavadora, excavadora, cargadora, retroexcavadora, rascadora, trituradora y pronto. Las piezas de repuesto que suministramos incluyen piezas de fundición como dientes de cubeta, adaptador, protector de labios, protector, vástago del desgarrador, etc. y piezas forjadas como dientes de cubeta forjados, filo, cuchillas graduadoras, segmento, broca final, etc., y también piezas resistentes al desgaste. como barras rígidas, botones de desgaste, placa de desgaste combinada de cromo, etc. y piezas combinadas como pasadores, arandelas, pernos y tuercas, etc. Nuestras piezas cubren las marcas de máquinas Caterpillar, Komatsu, Volvo Doosan, Daewoo, Hyundai, Estuche, JCB, Kobelco, John Deere etc.
Beneparts tiene un equipo de ventas muy fuerte y un fabricante firmemente cooperado con alta tecnología y enfoque en la calidad con más de 28 años de experiencia.
Nuestras ventajas son cuatro veces, nuestro:
1. Equipo técnico fuerte, y tenemos la capacidad de formular materiales para satisfacer las necesidades específicas de los proyectos de nuestros clientes.
2. Sistema de control de calidad perfecto y una amplia gama de instalaciones avanzadas, como la máquina de análisis de componentes, la máquina de impacto, la máquina de resistencia a la tracción, etc.
3. Experiencia rica para hacer negocios OEM / ODM, podemos desarrollar artículos según dibujos y muestras si tiene un requisito específico.
4. Gestión eficiente, podemos reducir el tiempo de entrega y tenemos un buen servicio postventa que mantiene la cooperación comercial a largo plazo con nuestros clientes.
Nuestro compromiso con usted es siempre proporcionar un servicio al cliente rápido, conveniente y eficaz.
Esperamos conocerte!